THE
ECONOMISER

A means whereby overall fuel economy is improved through the action of bleeding air into the engine intake ports, downstream of the carburettors, while the throttle is closed on the 'overrun', i.e. when the engine is used as a brake. This is a valid method as mentioned in Chapter 7 of a book Motorcycle Tuning – Four Stroke by John Robinson (Heinemann 1988):
"Vacuum valve: there are several applications where diaphragm-type valves are opened or closed by engine vacuum, against a spring, usually to bleed air to the intake when the throttle is closed and the engine is on the overrun."
Originally I was trying to contrive some type of throttle-stop switch, which would work in conjunction with an engine speed sensor, but this proved too complicated to make up and might not be too reliable, and may interfere too much with existing throttle mechanisms. Hence 'plan B' as below. Note that the decision to do this coincided with the oil price scare of 2004.


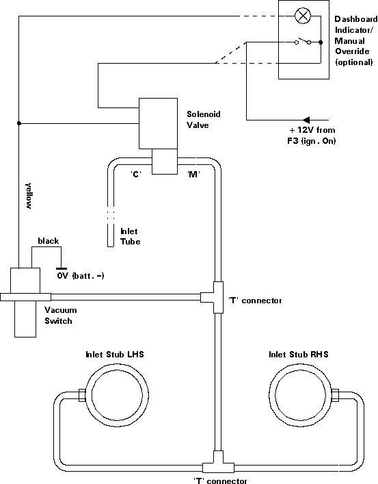
The 'Economiser' comprises these main parts:
  1. Vacuum Diaphragm Switch (overrun sensor)
  2. Solenoid Vacuum Valve
  3. Air Flow Regulator, sundry hoses & connectors, wiring etc.
[photo]


1. Vacuum Diaphragm Switch (overrun sensor)
(Lada part No. 2107-1180020-10.) Originally this was used in the 21057 model series Lada cars to detect that the engine is running at normal operating temperature for the benefit of the AFR (Advanced Fuel Regulator) electronics (emission controlled carburettor). Usefully it is normally open ('off') in the absence of a vacuum, which is exactly what is desired here.

Also, the required operating vacuum pressure (low in its initial setting) is easily adjustable by means of a simple screw; this is revealed after digging out the silicone rubber type sealant from the end of the cylindrical adjuster boss. This screw compresses a coil spring against the diaphragm to set the operating threshold. Furthermore, there is enough thread in the adjuster boss for the screw to compress the spring fully if required. It was established that the maximum force of the original spring when fully compressed is approximately 4.5 lbs. It was then possible to find out the equivalent maximum air pressure on the diaphragm necessary to close the switch. The conclusion was that this can be quite high as desired.

It was estimated that a 'safe' minimum might be 10 Hg, to avoid the system cutting in during acceleration, but this still leaves a reasonable adjustment range. Practical experimentation (which involved me actually sucking on the end of a tube with a Davida vacuum gauge plumbed in via a 'T' connector!) showed that, since the spring is almost fully compressed, practical changes to the screw adjustment are actually very small, typically, only 1/16 of a turn on the screw makes a difference of at least 5 Hg!

An initial setting was decided on for about 15 – 20 Hg, which corresponds to about one complete turn out from fully screwed in. Should further alteration be needed, a very small 'tweak' on the screw in the required direction is all that should be necessary.

An old HT lead insulator 'boot' was found to fit over the end of the adjuster boss to form an airtight seal (a leak exists along the screw thread), and which is easily removable in the event of further adjustment being required. (The lead through-hole is filled with flexible sealant and reinforced with washers.) For best accessibility, the Vacuum Switch is clipped to the frame tube behind the forward end of the left-hand side panel.
Connections:              240mm twin wire lead 

2. Solenoid Vacuum Valve
(UK made version of Lada original 2105-112-7010 as No. 2105-112-7010-99.) An electric solenoid operated vacuum valve which, when energised, commnicates vacuum at the 'M' (Manifold) hose connection to a second 'C' (Carburettor) connection. Whilst off, 'M' is closed and 'C' is vented to atmosphere. Originally this was part of a fuel saving feature, controlling a vacuum servo operated idling jet needle that shut off fuel on the overrun for an earlier model Lada (also, acting as an anti-dieseling valve on switch off).

In this application, 'C' is merely opened to atmosphere such that the cylinder intake ports ('M') receive an air bleed downstream of the carburettors whenever the valve is opened*. Both of the L/H and R/H carburettor intake stubs are connected together via adapters – screwed into the vacuum gauge take-off points that they are normally provided with – by hoses through a 2 into 1 'T' connector and thence to 'M'. A second 'T' connector then connects the latter path to the Vacuum Diaphragm Switch. The Solenoid Valve is clipped underneath the (large) top frame tube under the tank.
Coil Resistance:          40 Ohms
'On' Current:             300 mA (3.6W @ 12V, 5W @ 14V)
Connections:              0.25" blade x 2
Hose Connections -
  'M':                    = manifold
  'C':                    = carburettor* (atmosphere) 

3. Air Flow Regulator
An inlet hose connected to 'C' of the Solenoid Valve takes the input from under the rear of the seat. It is not necessary to draw huge amounts of air into the bleed, just enough to simulate a lean idling screw setting. Extra restriction may be provided by simply inserting something with a smaller hole into the end of the hose (see Results). This also promotes a low pressure in the hose system when the valve is open to help discourage the Diaphragm Switch from 'fluttering', that is, turning rapidly on and off due to a sudden drop in vacuum pressure whenever the valve is opened. This hose is loosely clipped alongside the front/rear linked brake circuit bundy tube, just inboard of the LHS top frame rail.


economiser.gif


General Notes
In the final prototype a manual override switch, which is attached to the instrument panel, is included to defeat the Solenoid Valve and prevent it operating if desired (or necessary). It so happens that the particular switch used also incorporates an indicator lamp; this has been wired to show the actual behaviour of the Vacuum Switch, whether the valve is enabled or not.

It's worth mentioning that the 21057 series Lada models have a similar fuel saving device, comprising a vacuum servo valve worked by a tap into the ignition advance vacuum pipe. On the overrun, when the vacuum is high, this opens a connection between two hoses that effectively bypasses the carburettor. The actual resultant pressure drop is self regulating because a certain vacuum level must still exist to keep the valve open. Such devices became common on latter carburetted cars to promote fuel economy and reduce unwanted emissions. In the case for 21057 Lada, it also offers a short cooling off period for the catalytic converter.

On the Guzzi, a main consequence of joining the two intake stubs together by a vacuum pipe is that each cylinder can now draw through both carburettors, especially at idle, and this usually means that the throttle stops need to be somewhat lower than normal. Due to the small bore holes in the adapters, however, this effect is reduced to negligible proportions once the throttle slides are lifted.

There is one distinct advantage in that any small imbalance between the carburettor settings (such as relative throttle slide positions) is cancelled, but again this only applies to small throttle openings (but where any such imbalance would have its greatest effect).


Results
#1. Immediately following installation, where the Air Restrictor = 1 x VHB30C main jet size 135 (approx. 1mm hole).

During a single journey of 171 miles, of which the first 20 miles comprised motorways, the remainder a roughly equal mix of A and B roads, with about 5 miles of country lanes in the middle. Note that the average speed for this is typically 30 – 33 mph (due to both road and traffic restrictions). The bike was solo but was loaded with luggage (BMW panniers, tent and tank bag).

I kept the Solenoid Valve disabled for about the first two thirds of the journey, to simply monitor the behaviour of the Vacuum Switch. This proved to be operating as desired, i.e. when the throttles are closed but not in other normal working situations. Hence I was reasonably confident to enable the Solenoid Valve for what was only about the last 40 – 50 miles.

Even so just this short period of use for the fully functioning system over the latter part of the journey returned an average of 50 mpg for the whole journey (hitherto, normally expected to be in the order of 47 – 48 mpg for same types of roads).

There were other observations. Interestingly, there is sufficient vacuum to activate the system when the throttles are closed and the clutch disengaged for merely changing gear (no drive), which gives you an idea how much inertia there is in the flywheel! Also, some reduction in engine braking was expected, but which turns out to be negligible. Moreover, no obvious exhaust popping noises could be discerned due to the fuel mixture being leaned off on the overrun, which was unexpected.

#2. Air Restrictor enlarged to 2mm hole – the device used was one section cut from a 5A electrical terminal block ('chocolate block'), with one screw removed and its empty nylon shroud pressed into the end of the inlet hose. The inlet then sucks through the right angled path formed between the 2mm threaded screw hole and the cable entry hole. (The opposite screw was tightened to secure the metal body in the housing.)

For the same journey in reverse (171m), and with the economiser functioning continuously, the fuel consumption was the same at 50 mpg. Some 'fluttering' of the Diaphragm Switch is evident (more so than in #1, obviously), but only occurs at small throttle opening during deceleration, or at very slow engine speed during deceleration or the overrun. Or, downhill in a high gear, etc.

#3. Air Restrictor removed, or open ended inlet hose (the 'restriction' is then that remaining in the hosing and solenoid valve).

A journey of 178 miles comprising mostly A roads and a small amount of B roads, where again the average speed was not particularly high, mainly due to traffic, just about returned 55 mpg! This is what I was hoping for, something approaching that of cruising on dual carriageways, and comparing it with the 'normal' 46 mpg, I would say this was a success.

There are still no adverse affects and the economiser is now in continuous use. It means that the Spada 1 tank I use can go to at least 230 miles and still leaving a reserve good for another 40 – 50 miles. I now intend to install a second duplicate system to my BMW R80...

For sourcing the Lada parts mentioned above, go see www.lada.co.uk

Return to Moto Guzzi page